97622¹ú¼ÊÖÁ×ðÆ·ÅÆ

ÖÐÎÄ
Espa?ol Deutsch Portugu¨ºs Fran?ais EN ÖÐÎÄ

WOER (002130): 0 0 (0%)

27.5kVÔ¤ÖÆ»§ÍâÖÕ¶Ë

Ó¦ÓÃÁìÓò£º

Ó¦ÓÃÔÚµçÆø»¯Ìú·ÓÃ27.5kVÇ£Òý¹©µçϵͳÖУ¬£¬ £¬£¬ £¬£¬£¬£¬×°ÖÃÔÚ27.5kVµ¥ÏཻÁ÷½»Áª¾ÛÒÒÏ©¾øÔµµçÀ»§Íâ¶ËÍ·²à£¬£¬ £¬£¬ £¬£¬£¬£¬ÊµÏÖÓë»§Íâ¸ßѹµçÆ÷»ò×°±¸µÄµçÆøÅþÁ¬

ÏÂÔØÊÖ²á

1¡¢²úÆ·ÐÔÄÜÖª×ãGB/T28427-2012±ê×¼ÒªÇó ¡£¡£¡£¡£¡£¡£¡£¡£
2¡¢ÖÐÐÄÌÖÂÛÖ÷ÌåÒÔÓÅÖÊÈë¿ÚÒºÌå¹è½ºÎª»ù²Ä£¬£¬ £¬£¬ £¬£¬£¬£¬½ÓÄɸßθßѹÁ¦×¢É乤ÒÕ³ÉÐÍ£¬£¬ £¬£¬ £¬£¬£¬£¬²úÆ·¾ßÓиߵ¯ÐÔ¡¢¸ß¿¹Ëº¡¢ÄÍÀÏ»¯¡¢¿¹µçÔΡ¢ÄÍÅÀµçµÈÓÅÒìÐÔÄÜ£»£»£»£»£» £»½á¹¹Éè¼ÆÓÅ»¯¡¢×°Öù¤ÒÕÓÅÒìÖª×ãµçÆø»¯ÌúÂ·ÌØÊ⹩µçÇéÐκÍÔËÐÐÌØµãµÄÒªÇó ¡£¡£¡£¡£¡£¡£¡£¡£

3¡¢×°ÖÃʱƾ֤ҪÇó´¦Öóͷ£ºÃµçÀ±¾Ìåºó£¬£¬ £¬£¬ £¬£¬£¬£¬½«ÖÕ¶ËÖ÷ÌåÓÃÁ¦ÍÆÌ×Èë×°ÖÃλÖü´¿É ¡£¡£¡£¡£¡£¡£¡£¡£

97622¹ú¼ÊÖÁ×ðÆ·ÅÆºË²Ä27.5kVÔ¤ÖÆ»§ÍâÖÕ¶Ë.gif


Ö´Ðбê×¼GB/T28427-2012
¶î¶¨µçѹU0     (kV)27.5
¹¤ÆµÄÍѹ(5min)  (kV)124
¹¥»÷ÄÍѹ  (kV)250
48kVϾֲ¿·Åµçˮƽ£¨pC£©¡Ü5
Ô¤ÖÆÖÕ¶ËÖ÷ÌåÅÀ¾à (mm)¡Ý1350
ÊÊÓõçÀ½ØÃ棨 mm2£©150/185/240/300/400

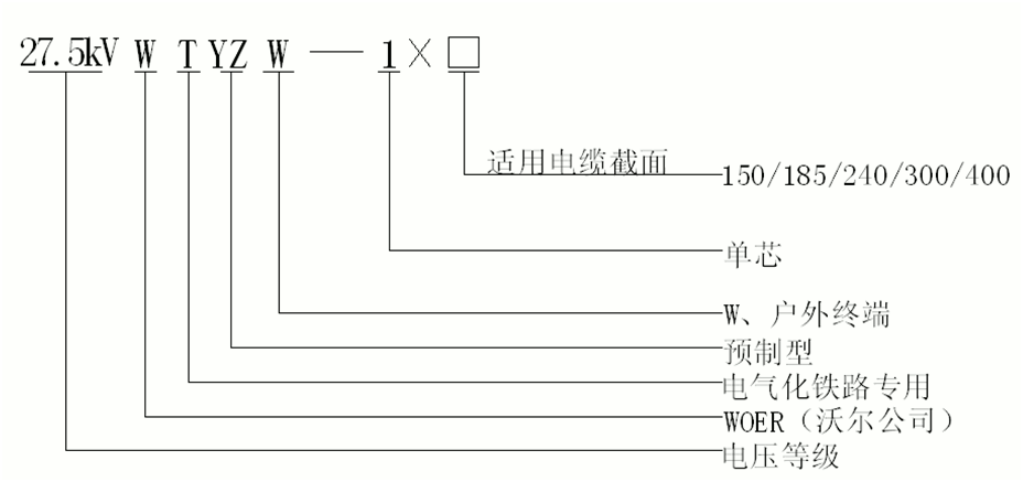
27.5kVÔ¤ÖÆ»§ÍâÖÕ¶ËÑ¡ÐÍ.gif

·µ»Ø